
Images are representative only. Please verify with our technical experts as actual product may differ.
Manufacturer:Â NOSHOK
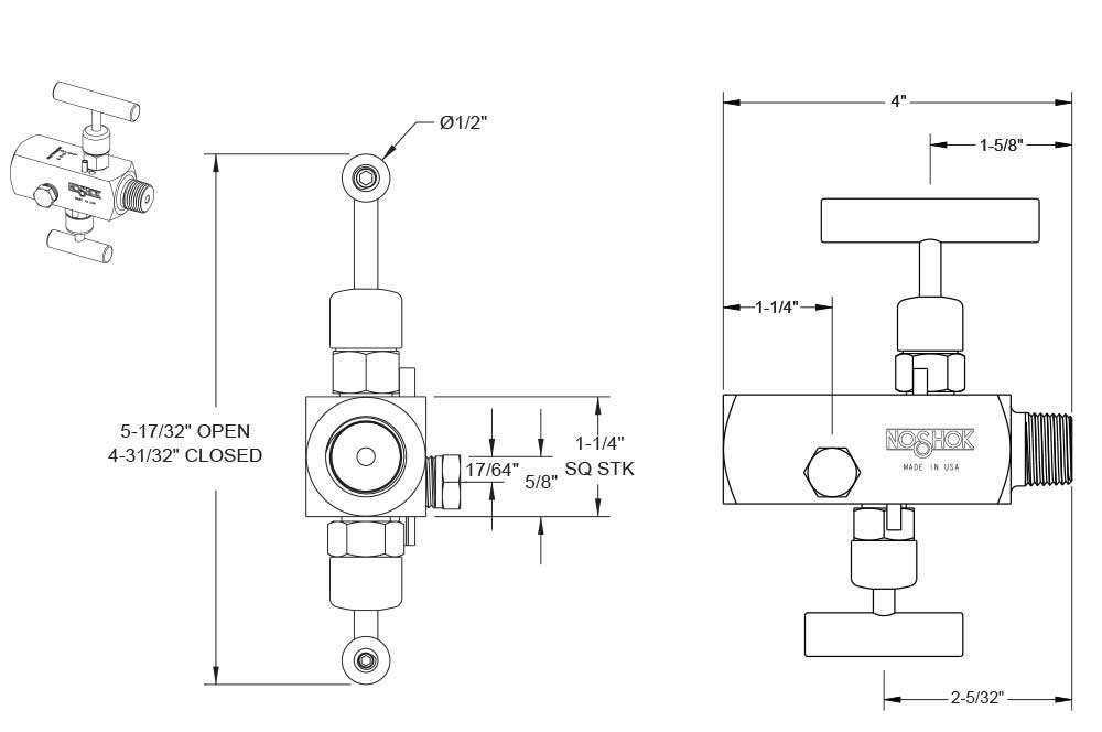
Manufacturer Model #:Â 2070-MFC-P1-T1
- Combines isolating and venting in a single valve, eliminating the need for tubing and fittings
- Block valve isolates the downstream process fluids, and the bleed valve exhausts upstream fluids enabling instruments to be removed without disturbing the permanent piping installation
- The 1/4" NPT vent plug is located 90º to the left and may be removed and replaced with exhaust piping to direct the fluids to a safe location
- Assembly Options:Â NOSHOK offers multiple assembly options to meet your specific system requirements. Consult factory to discuss your customized solution.Body Material:Â Zinc-Nickel Plated SteelCategory:Â 2070 Series Block and Bleed 2 Needle Valves with Hard SeatConnection Size:Â 1/2Cv Coefficient:Â 0.44End Size:Â 1/2Length:Â 4Orifice Diameter:Â 0.187Packings:Â Polytetrafluoroethylene (PTFE)Pressure [Max]:Â 10,000Process Type:Â 2-Valve Block and BleedSchemaID:Â 105909Seat:Â Hard SeatSeries:Â 150Stem Material:Â All 316 Stainless Steel stems with Fluorocarbon (FKM) o-ring and Polytetrafluoroethylene (PTFE) back-up ring below the threads, Polytetrafluoroethylene (PTFE) or Graphite packing optionalStem Tips Material:Â Non-Rotating (316 stainless)Syndication:Â 1Type:Â Needle ValveUninstalled Options and Accessories:Â Bleed Plug, Stainless Steel, 1/4" NPT (BP2-S)Unit:Â 1Valve Material:Â SteelValve Type:Â Male-Female
SunSource Distribution Division: SunSource
Price:Â
$254.53
If your product requires a quote for pricing, you can add to your cart and submit a pricing request at checkout. Our team will contact you to provide pricing.
While many of our suppliers are offered throughout North America, some of our suppliers may have order restrictions based on geography. Our customer service team will contact you if there are any issues with your order or quote request.
Submit request for pricing on RFQ products.
Our sales team will be in touch to provide you a quote.
