
Images are representative only. Please verify with our technical experts as actual product may differ.
Manufacturer:Â NOSHOK
Manufacturer Model #:Â 504-MFS
- 100% helium leak tested to 1 x 10-4 ml/s for guaranteed performance and reliability
- Replaceable Acetal seat and straight through porting for bidirectional, high capacity flow and easy roddable cleaning
- Blow-out proof stem provides a secondary stem seal in the full open position
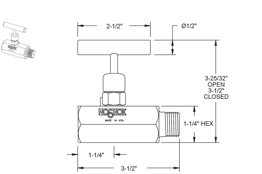
- Assembly Options:Â NOSHOK offers multiple assembly options to meet your specific system requirements. Consult factory to discuss your customized solution.Body Material:Â Electropolished 316 Stainless SteelCategory:Â 500 Series Standard Needle Valves with Soft SeatConnection Size:Â 1/2Cv Coefficient:Â 0.76End Size:Â 1/2End Type:Â National Pipe Thread (NPT)Orifice Diameter:Â 0.187Pressure [Max]:Â 600SchemaID:Â 105909Seat:Â Soft SeatSeries:Â 500Stem Material:Â All 316 Stainless Steel stems with Fluorocarbon (FKM) o-ring and Polytetrafluoroethylene (PTFE) back-up ring below the threads, Polytetrafluoroethylene (PTFE) packing optional for 1/4", 3/8" & 1/2" NPT onlySyndication:Â 1Type:Â Needle ValveUnit:Â 1Valve Material:Â Stainless SteelValve Type:Â Male-Female
SunSource Distribution Division: SunSource
Price:Â Requires Quote
Our sales team will follow up for pricing support after submitting request.If your product requires a quote for pricing, you can add to your cart and submit a pricing request at checkout. Our team will contact you to provide pricing.
While many of our suppliers are offered throughout North America, some of our suppliers may have order restrictions based on geography. Our customer service team will contact you if there are any issues with your order or quote request.
