
Images are representative only. Please verify with our technical experts as actual product may differ.
Manufacturer:Â NOSHOK
Manufacturer Model #:Â 5530-FFC
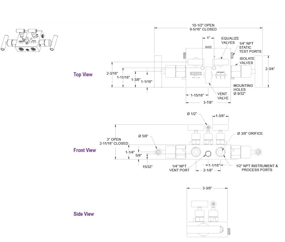
- Designed for use with differential pressure transmitters incorporating two isolation valves, two equalizing valves and a vent valve required in natural gas applications
- Flare Patternâ„¢ valve configuration provides maximum clearance for fingers during operation
- Soft tip valves feature a patented Acetal non-rotating soft tip stem, and a back-up metal-to-metal seal (U.S. Patent 6,820,857)
- Additional Options:Â Soft SeatsPEEK (PK1)PCTFE (KF1)O-ringsEPDM (EM1)Perfluoroelastomer (FFKM) 3018 or equivalent (KZ1)NBR (NB1)Note for O-Rings - Other O-Ring materials available on request.Handles1" Round knurled (HL3)1-3/8" Phenolic (HL4)Body Material:Â Zinc-Nickel Plated Carbon SteelCategory:Â 5530 Series 0.375 in. Orifice Natural Gas 5 Manifold Valves with Soft Seat/TipConnection Size:Â 1/2Connection Type:Â National Pipe Thread (NPT) or FlangeConnectors:Â NOSHOK offers Stabilized & Non-Stabilized Connectors, as well as Stabilized Connectors With Integral Block Valve designed to reinforce the entire installation by shifting radial-stress load away from the NPT connections.Direct Connect Assembly For Oil & Gas Applications:Â The NOSHOK Direct Connect Assembly provides an installation that keeps the meter close to the orifice taps for accurate flow measurements.Features:Â Two static (test) ports, color coded vinyl bonnet and stem dust cap, patented soft tip stem design on equalizing and vent valves.Flow Coefficient Cv:Â 3.0Installed Options and Accessories:Â PackingPTFE Manifold Gasket Ring (RG1-TF1)Graphite Manifold Gasket (RG1-GF1) Traditional to Coplanar Flange Adapter (TCA-S)Orifice Size:Â 0.375Pressure Rating at 200 Degree Fahrenheit (F) Temperature:Â 6,000Process Type:Â Natural Gas FlowRelated Items:Â MK4-CS, 5 Valve Steel Mounting Kit|MK4-SS2, 5 Valve 304 Stainless Steel Mounting KitSchemaID:Â 106318Seat:Â Soft Seat/TipSeries:Â 5-ValveStem Seal and Type:Â All 316 Stainless Steel stems with Fluorocarbon (FKM) o-ring and Polytetrafluoroethylene (PTFE) back-up ring below the threadsSyndication:Â 1Type:Â Manifold ValveUnit:Â 1Valve Material:Â SteelValve Type:Â Female-Female
SunSource Distribution Division: SunSource
Price:Â Price Not Available
If your product requires a quote for pricing, you can add to your cart and submit a pricing request at checkout. Our team will contact you to provide pricing.
While many of our suppliers are offered throughout North America, some of our suppliers may have order restrictions based on geography. Our customer service team will contact you if there are any issues with your order or quote request.
Submit request for pricing on RFQ products.
Our sales team will be in touch to provide you a quote.
