
Images are representative only. Please verify with our technical experts as actual product may differ.
Manufacturer:Â NOSHOK
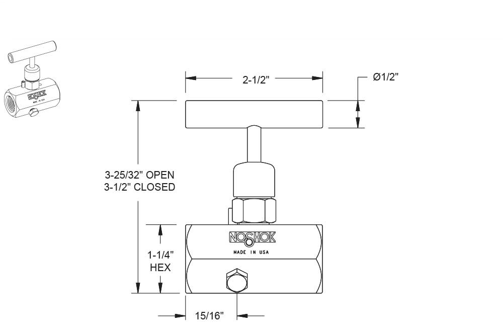
Manufacturer Model #:Â 604-FFS-P2-T1
- Block & bleed design allows pressure to be bled off without disturbing the permanent piping installation, allowing quick and easy removal or replacement of instruments
- 100% helium leak tested to 1 x 10-4 ml/s for guaranteed performance and reliability
- Blow-out proof stem provides a secondary stem seal in the full open position
- Additional Options:Â O-RingsEPDM (EM1)FFKM (Perfluoroelastomer 3018 or equivalent) (KZ1)NBR (NB1)Handles1-3/8" Phenolic (HL4)1-3/4" Phenolic (HL5 )Assembly Options:Â NOSHOK offers multiple assembly options to meet your specific system requirements. Consult factory to discuss your customized solution.Body Material:Â Electropolished 316 Stainless SteelCategory:Â 600 Series Block and Bleed Needle Valves with Hard SeatConnection Size:Â 1/2Cv Coefficient:Â 0.44End Size:Â 1/2End Type:Â National Pipe Thread (NPT)Orifice Diameter:Â 0.187Packings:Â GraphitePressure [Max]:Â 10,000SchemaID:Â 105909Series:Â 600Stem Material:Â All 316 Stainless Steel stems with Fluorocarbon (FKM) o-ring and Polytetrafluoroethylene (PTFE) back-up ring below the threads, Polytetrafluoroethylene (PTFE) or Graphite packing optionalStem Tips Material:Â Non-Rotating (316 stainless)Syndication_SET:Â 1Thread Type:Â Unified Fine Thread (UNF) 2AType:Â Needle ValveUnit_SET:Â 1Valve Material:Â Stainless SteelValve Type:Â Female-Female
SunSource Distribution Division: SunSource
$317.36
If your product requires a quote for pricing, you can add to your cart and submit a pricing request at checkout. Our team will contact you to provide pricing.
While many of our suppliers are offered throughout North America, some of our suppliers may have order restrictions based on geography. Our customer service team will contact you if there are any issues with your order or quote request.
