
Images are representative only. Please verify with our technical experts as actual product may differ.
Manufacturer:Â MURRELEKTRONIK
Manufacturer Model #:Â 8000-84401-0000000
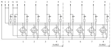
4-WAY, 4-POLE
FORM NPN
SCREW PLUG-IN TERMINALS
PLASTIC HOUSINGS WITH GOOD RESISTANCE AGAINST CHEMICALS AND OILS.
THE RESISTANCE TO AGGRESSIVE MEDIA SHOULD BE INDIVIDUALLY TESTED FOR YOUR APPLICATION. FURTHER DETAILS ON REQUEST.
Without homerun-cable
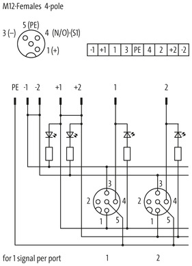
FORM NPN
SCREW PLUG-IN TERMINALS
PLASTIC HOUSINGS WITH GOOD RESISTANCE AGAINST CHEMICALS AND OILS.
THE RESISTANCE TO AGGRESSIVE MEDIA SHOULD BE INDIVIDUALLY TESTED FOR YOUR APPLICATION. FURTHER DETAILS ON REQUEST.
Without homerun-cable
- Product Category:Â I/O-SYSTEMSSub-Category:Â M12 Distribution Systems
SunSource Distribution Division: SunSource
$109.10
If your product requires a quote for pricing, you can add to your cart and submit a pricing request at checkout. Our team will contact you to provide pricing.
While many of our suppliers are offered throughout North America, some of our suppliers may have order restrictions based on geography. Our customer service team will contact you if there are any issues with your order or quote request.
